Ningbo Richge Technology Co., Ltd.
Ningbo Richge Technology Co., Ltd.
Produkty
VBI-24 Stałego typu Izolacja Cylinder MV WYKRYWANA
  • VBI-24 Stałego typu Izolacja Cylinder MV WYKRYWANAVBI-24 Stałego typu Izolacja Cylinder MV WYKRYWANA
  • VBI-24 Stałego typu Izolacja Cylinder MV WYKRYWANAVBI-24 Stałego typu Izolacja Cylinder MV WYKRYWANA

VBI-24 Stałego typu Izolacja Cylinder MV WYKRYWANA

Model:VBI-24
Wewnętrzny wyłącznik próżniowy serii VBI to nowa generacja inteligentnych wyłączników próżniowych. Jego żywe elementy, w tym wysokowydajne przenikanie próżniowe oraz końcówki górnych i dolnych wychodzących, są zamknięte w terminach po żywicy żywicy epoksydowej. Ta konstrukcja pomaga zapobiec zanieczyszczeniu na powierzchni interruptera próżniowego, zwiększając jego właściwości izolacyjne, stabilność mechaniczną i przedłużenie jej pracy operacyjnej. Mechanizm działania zlewki obwodu próżniowego montowanego bocznego VBI-24 jest używana sprężyna do magazynowania energii, którą można obsługiwać na dwa sposoby, ręczne lub elektryczne. Charakterystyka są zgodne z GB1984-89, JB3855-96<10kv Indoor High Voltage Vacuum Circuit Breaker General Technical Specifications>, Odpowiednie przepisy standardu IEC56. Wewnętrzny wyłącznik próżniowy VBI-24 jest trójfazowy AC 50 Hz, napięcie znamionowe urządzenia wewnętrznego 24 kV, dla przedsiębiorstw przemysłowych i górniczych, elektrowni i podstacji jako celów kontroli i ochrony sprzętu elektrycznego oraz do częstego działania miejsca.

VBI-24 Stałego typu Izolacja Cylinder MV WYKRYWANA

   Seria wyłącznika próżniowego o wysokim napięciu VBI-24 z wbudowanymi biegunami to trzy fraza A.C.50 Hz Wewnętrzny wyposażenie dystrybucji mocy z znamionowym napięciem 24 kV. Używany do ochrony i kontrolowania urządzeń elektrycznych w polach przemysłu i przedsiębiorstwa wydobywczego, elektrowni i podstacji.

   Głównym obwodem przewodzącym tego typu wyłącznika próżniowego z mechanizmem sprężynowym jest wbudowany słup, który może znacznie poprawić niezawodność izolacji, wydajności mechanicznej i złamania oraz naprawdę urzeczywistnić żywotność swobodną i dłuższą żywotność mechaniczną i elektryczną. Ten typ wyłącznika próżniowego jest zgodny z krajowymi standardami, a stanowi stanu IEC. Zdolność osiąga stopień M-E2-C2.

   Produkt jest używany do wielu rodzajów rozdzielnicy, takich jak KYN28-24 (GZS1) i może być stałym instalacją.

  Wewnętrzny wyłącznik próżniowy VBI-24 jest trójfazowy AC 50 Hz, napięcie znamionowe urządzenia wewnętrznego 24 kV, dla przedsiębiorstw przemysłowych i górniczych, elektrowni i podstacji jako celów kontroli i ochrony sprzętu elektrycznego oraz do częstego działania miejsca.







Podstawowe informacje.


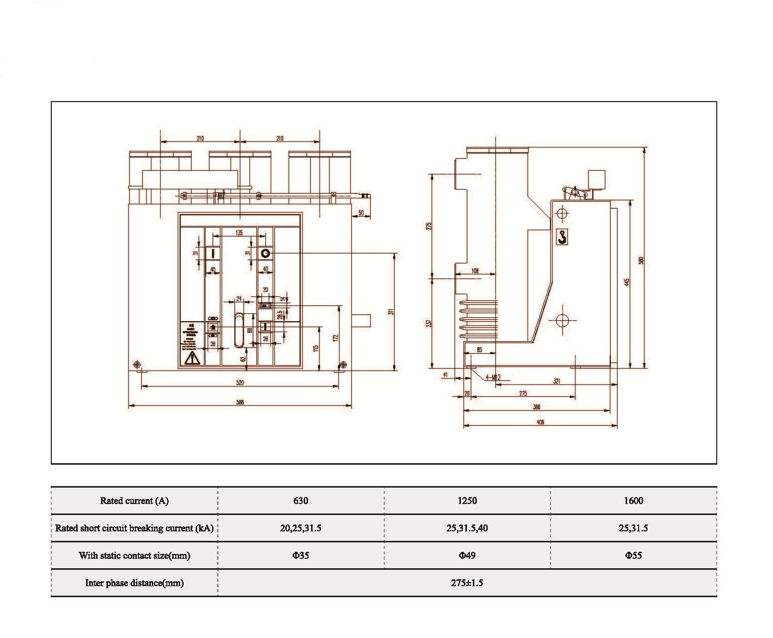
Parametry techniczne




Rysunki techniczne

FAQ

P: Czy mogę prosić o ceny twoich produktów?

Odp.: Witaj. Prosimy o przesłanie nam zapytania tutaj. Odpowiemy ci w ciągu 24 godzin.


P: Czy mogę dostać próbkę przed zamówieniem masowym?

Odp.: Tak, z zadowoleniem przyjmujemy próbki, aby przetestować i sprawdzić jakość. Próbki mieszane są dopuszczalne.


P: Czy możemy wydrukować naszą nazwę logo/ firmy na produktach?

Odp.: Tak, oczywiście akceptujemy OEM, a następnie potrzebujesz zapewnienia nam autoryzacji marki


P: Czy akceptujesz dostosowywanie produktu?

Odp.: Tak, oczywiście, proszę podać określone rysunki lub parametry, zacytujemy Cię po ocenie


P: Jaki jest czas realizacji?

Odp.: Czas realizacji zależy od zamówionych ilości, ogólnie w ciągu 7-20 dni od otrzymania płatności.


P: Jakie są twoje warunki handlowe?

Odp.: Akceptujemy Exw, FOB, CIF, FCA itp.


P: Jaka jest Twoja metoda płatności?  

Odp.: Akceptujemy T/T, Western Union, PayPal, nieodwołalny L/C na wzrok itp.


P: Czy sprawdzasz gotowe produkty?

Odp.: Tak, każdy etap produktów produkcyjnych i gotowych zostanie ukazany przez dział QC przed wysyłką. I dostarczymy raporty z inspekcji towarów w celu odniesienia przed wysyłką


P: Jak rozwiązać problemy z jakością po sprzedaży?

Odp.: Zrób zdjęcia problemów jakości i wysyłaj do nas na nasze sprawdzenie i potwierdzenie, stworzymy dla Ciebie satysfakcjonujące rozwiązanie w ciągu 3 dni.




Fabryka


Certyfikat




Gorące Tagi: VBI-24 Stałego typu Izolacja Cylinder MV Breaker, Chiny, producent, dostawca, fabryka, niska cena, jakość, najnowsza sprzedaż, zaawansowane
Wyślij zapytanie
Informacje kontaktowe
Jeśli masz pytania dotyczące rozdzielnic niskiego napięcia, izolatorów wysokiego napięcia, uziemników wysokiego napięcia lub cennika, zostaw nam swój e-mail, a my skontaktujemy się z Tobą w ciągu 24 godzin.
X
Używamy plików cookie, aby zapewnić lepszą jakość przeglądania, analizować ruch w witrynie i personalizować zawartość. Korzystając z tej witryny, wyrażasz zgodę na używanie przez nas plików cookie. Polityka prywatności
Odrzucić Przyjąć