Ningbo Richge Technology Co., Ltd.
Ningbo Richge Technology Co., Ltd.
Produkty
Zintegrowany wyłącznik próżniowy z serii Zn12-12
  • Zintegrowany wyłącznik próżniowy z serii Zn12-12Zintegrowany wyłącznik próżniowy z serii Zn12-12
  • Zintegrowany wyłącznik próżniowy z serii Zn12-12Zintegrowany wyłącznik próżniowy z serii Zn12-12

Zintegrowany wyłącznik próżniowy z serii Zn12-12

Model:ZN12-12
Seria Zn12-12 Hal HV Breaker Breaker jest sprzętem wewnętrznym z trzech faz AC 50 Hz, napięcie o wartości 12 kV, które wprowadziło technologię z niemieckiej firmy. Jest odpowiedni do obszaru o wszelkiego rodzaju obciążeniu i częstym obsłudze oraz może być używany do ochrony i kontroli przemysłowej i wydobywczej, przedsiębiorstwa, elektrowni i elektrycznych podstacji. Ten produkt jest zgodny z powiązanym wymogiem standardów GB1984, JB3855, DL403 i IEC.

Zintegrowany wyłącznik próżniowy z serii Zn12-12

  Zn12-12 Wewnętrzne napięcie wyłącznika próżniowego wysokiego napięcia napięcia o wartości 12 kV i następujące rozdzielnicy wysokiego napięcia w pomieszczeniu, zainstalowane głównie w stałym rozdzielnicy, dla przedsiębiorstw przemysłowych i górniczych, elektrowni i podstacji w celu ochrony i kontroli urządzeń elektrycznych oraz nadaje się do przełomowych obciążeń i częstego działania miejsca!

  W wyłącznikach próżniowych z serii Zn12 są wewnętrznym urządzeniem rozdzielniczym o wysokim napięciu z napięciami znamionowymi 12KV, 24KV i 40,5 kV i trójfazowymi AC 50 Hz. Jest to produkt krajowy opracowany przez wprowadzenie niemieckiej technologii Siemens 3AF. Mechanizm operacyjny wyłącznika to sprężynowy typ magazynowania energii, który może być obsługiwany przez AC lub DC lub ręcznie. Breaker ma prostą strukturę, silną pojemność zerwania, długą żywotność usług i pełne funkcje operacyjne. I nie ma niebezpieczeństwa wybuchu, a konserwacja jest prosta. Jest odpowiedni do przełącznika sterowania lub ochrony systemów transmisji i dystrybucji zasilania, takich jak elektrownie, podstacje oraz przedsiębiorstwa przemysłowe i wydobywcze, szczególnie odpowiednie do rozbicia ważnych obciążeń i częstych miejsc pracy. Forma instalacyjna wyłącznika w szafce przełącznika może być typem stałym lub wyłącznikiem typu wycofywanego. Produkt ten jest zgodny z odpowiednimi standardami, takimi jak GB1984, JB3855 i IEC62271-100 „Wyłącznik AC High Voltage AC”.


Zalety:

1. Breaker w obwodzie minął ocenę Ministerstwa Maszyn i Ministerstwa energii elektrycznej 96 sierpnia, co oznacza, że ​​jakość jest absolutnie gwarantowana.

Mechanizm wyłącznika jest zintegrowany z przełącznikiem, a specjalny mechanizm siłownika typu sprężynowego typu magazynowania energii może być obsługiwany przez magazyn energii AC i DC lub ręcznie.

Dzięki prostej strukturze, silnej pojemności, długiej żywotności, pełnej funkcji operacji, bez niebezpieczeństwa eksplozji i łatwej konserwacji, ten wyłącznik jest odpowiedni do kontroli lub przełącznika ochrony systemu transmisji i dystrybucji zasilania, takiej jak elektrownia, siatka zasilania, podstacja itp. Jest szczególnie odpowiednia do przełamania ważnych obciążeń i miejsc z częstym obsługą.


Cechy:

1. Pojemność zerwania komory gaśnej łuku jest wysoka, obecna pojemność przenoszenia jest niska, a żywotność elektryczna jest długa.

2. Układ jest od przodu do tyłu, prosta i kompaktowa struktura, pełna obsługa i łatwa konserwacja.

3. W celu struktury i instalacji można je podzielić na: poziomy stały typ, nachylony typ stały, ruchomy typ środkowego zestawu.






Podstawowe informacje.



Parametry techniczne



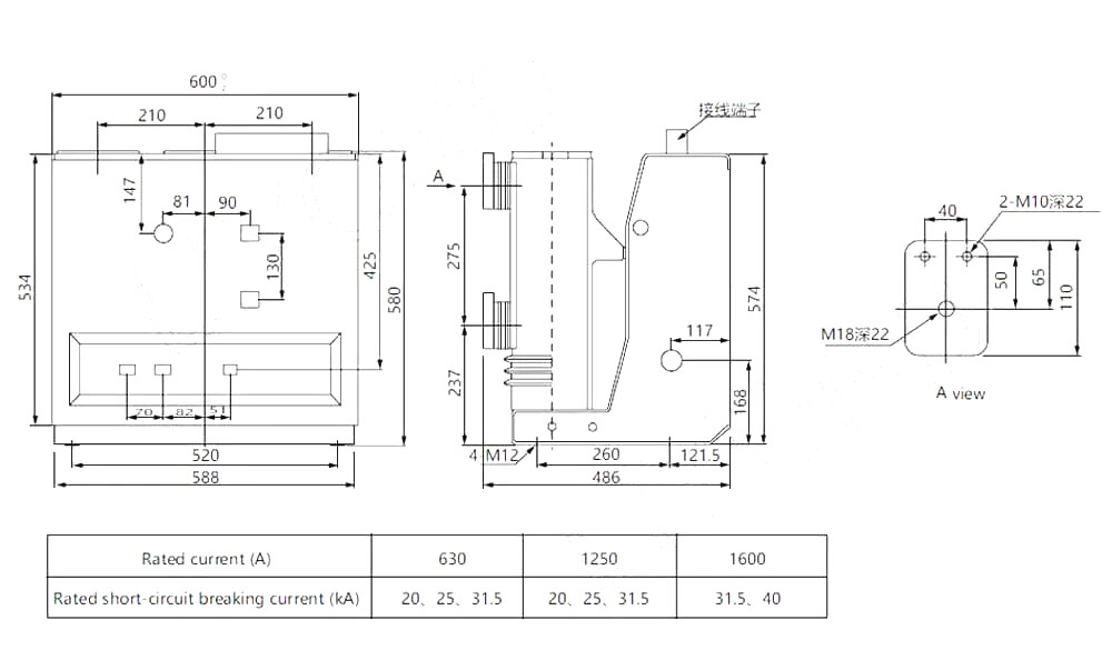
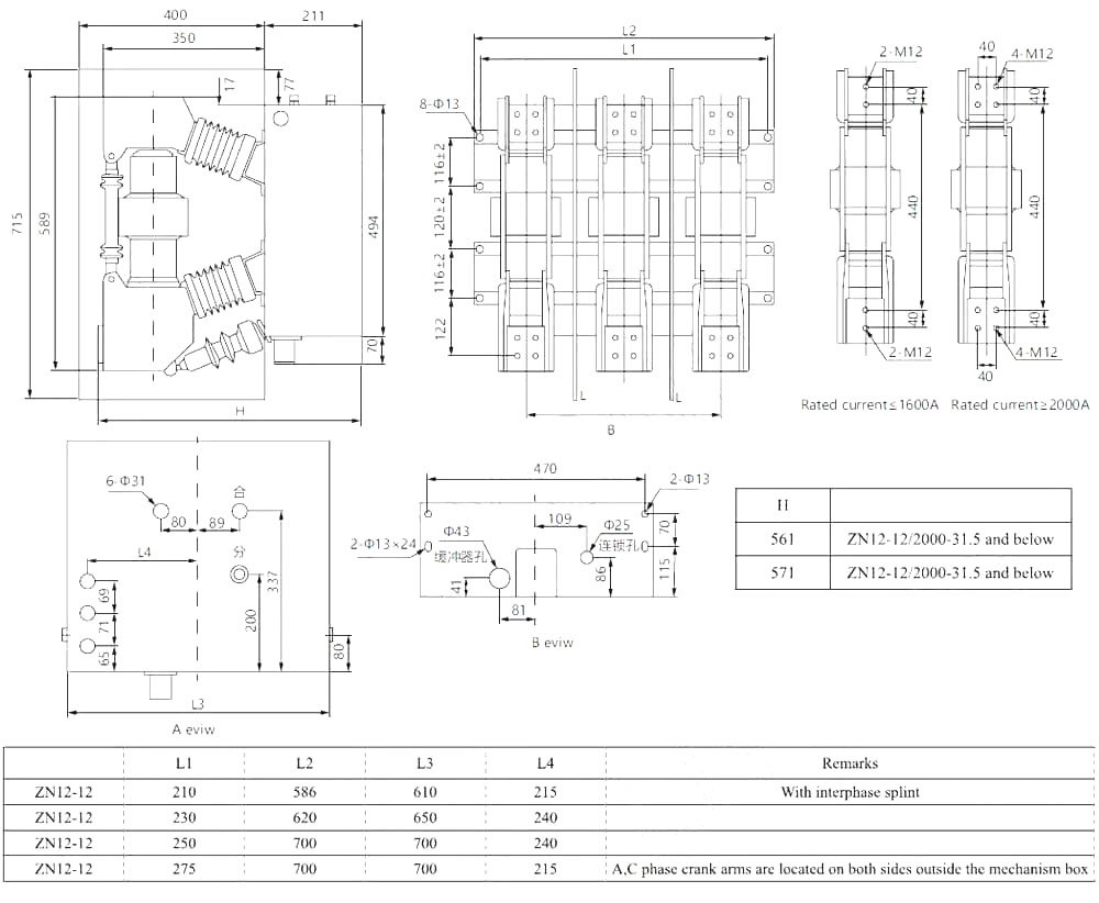
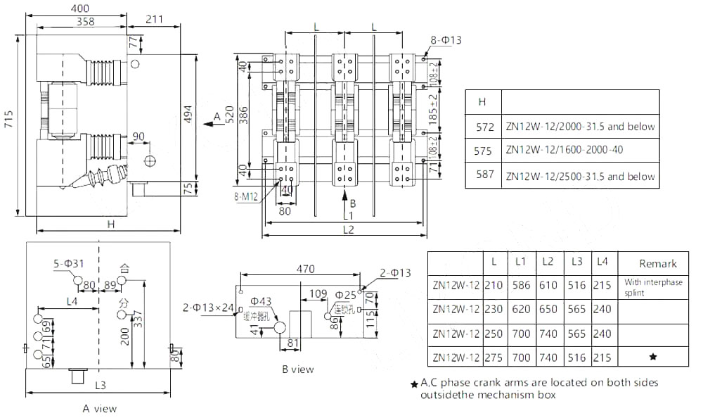
Rysunki techniczne


Warunki użytkowania Zn12-12 zintegrowanego przełącznika kolumnowego wyłącznika próżniowego 1. Wysokość: ≤1000 m; (Wysokość prototypu może osiągnąć poniżej 4000 metrów)

2. Temperatura otoczenia: najwyższa +40 ° C, najniższa -25 ° C;

3. Wilgotność względna: średnia dzienna nie większa niż 95%, średnia miesięczna nie więcej niż 90%;

4. Intensywność trzęsienia ziemi: mniej niż 8;

5. Środowisko instalacyjne: brak pożaru, zagrożenia eksplozji, braku żrący i bez gwałtownego miejsca wibracji.

6. Proszę skontaktować się z producentem wyłącznika obwodu próżniowego, jeśli środowisko użytkowania przekroczy powyższe.




FAQ

P: Czy mogę prosić o ceny twoich produktów?

Odp.: Witaj. Prosimy o przesłanie nam zapytania tutaj. Odpowiemy ci w ciągu 24 godzin.


P: Czy mogę dostać próbkę przed zamówieniem masowym?

Odp.: Tak, z zadowoleniem przyjmujemy próbki, aby przetestować i sprawdzić jakość. Próbki mieszane są dopuszczalne.


P: Czy możemy wydrukować naszą nazwę logo/ firmy na produktach?

Odp.: Tak, oczywiście akceptujemy OEM, a następnie potrzebujesz zapewnienia nam autoryzacji marki


P: Czy akceptujesz dostosowywanie produktu?

Odp.: Tak, oczywiście, proszę podać określone rysunki lub parametry, zacytujemy Cię po ocenie


P: Jaki jest czas realizacji?

Odp.: Czas realizacji zależy od zamówionych ilości, ogólnie w ciągu 7-20 dni od otrzymania płatności.


P: Jakie są twoje warunki handlowe?

Odp.: Akceptujemy Exw, FOB, CIF, FCA itp.


P: Jaka jest Twoja metoda płatności?  

Odp.: Akceptujemy T/T, Western Union, PayPal, nieodwołalny L/C na wzrok itp.


P: Czy sprawdzasz gotowe produkty?

Odp.: Tak, każdy etap produktów produkcyjnych i gotowych zostanie ukazany przez dział QC przed wysyłką. I dostarczymy raporty z inspekcji towarów w celu odniesienia przed wysyłką


P: Jak rozwiązać problemy z jakością po sprzedaży?

Odp.: Zrób zdjęcia problemów jakości i wysyłaj do nas na nasze sprawdzenie i potwierdzenie, stworzymy dla Ciebie satysfakcjonujące rozwiązanie w ciągu 3 dni.




Fabryka


Certyfikat




Gorące Tagi: Zintegrowany wyłącznik kolumny z serii Zn12-12 wyłącznik próżniowy, Chiny, producent, dostawca, fabryka, niska cena, jakość, najnowsza sprzedaż, zaawansowane
Wyślij zapytanie
Informacje kontaktowe
Jeśli masz pytania dotyczące rozdzielnic niskiego napięcia, izolatorów wysokiego napięcia, uziemników wysokiego napięcia lub cennika, zostaw nam swój e-mail, a my skontaktujemy się z Tobą w ciągu 24 godzin.
X
We use cookies to offer you a better browsing experience, analyze site traffic and personalize content. By using this site, you agree to our use of cookies. Privacy Policy
Reject Accept